Puškohled March X 8-80 x 56 TI Stříbrný s osvětlenou osnovou - Osnova MTR-2, krok 1/8 MOA

Výrobce:
Deon Optical Design Corporation
Na objednávku
95 638.00 Kč
Běžná cena:
95 638.00 Kč
79 039.67 Kč bez DPH
Parametry
Průměr objektivu
56 mm
Fokální rovina
Druhá
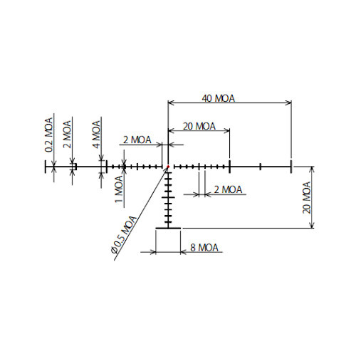
Záměrná osnova
MTR-1
Osvětlená osnova
ANO
Typ Paralaxy
Side Focus
Rozsah paralaxy
10 yds až nekonečno
Průměr tubusu
34 mm
Krok rektifikace
1/4 MOA
Výšková korekce
60 MOA
Stranová korekce
40 MOA
Korekce na otáčku
10 MOA
Nulování výškové korekce
ANO
Typ komínků
Tactical
Zorné pole
13.2 - 1.32 ft@100 yds
Oční reliéf
89-95 / 83-97 mm
Výstupní pupila
0.7 mm
Dioptrická korekce
+/-2
Sluneční clona
ANO
Délka
409 mm
Hmotnost
885 g
Přiblížení
8-80x
Popis


