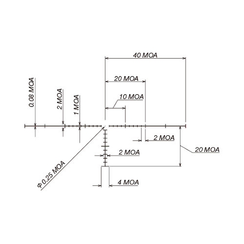
Puškohled March X 8-80 x 56 TI s osvětlenou osnovou - Osnova MTR-1, krok 1/8 MOA

Výrobce:
Deon Optical Design Corporation
Na objednávku
92 541.00 Kč
Běžná cena:
92 541.00 Kč
76 480.17 Kč bez DPH
Popis

