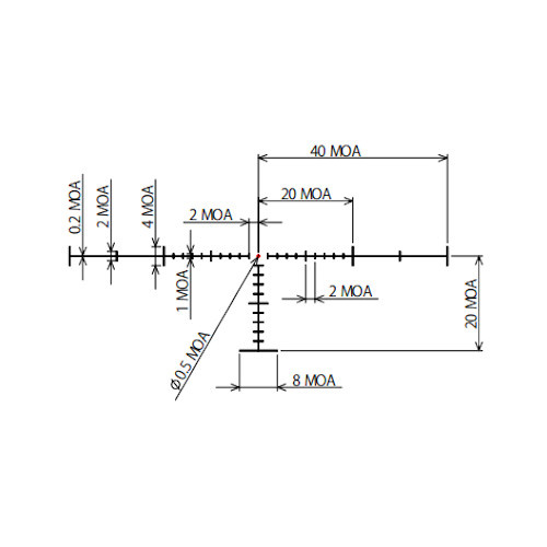
Puškohled March X 5-50 x 56 TI s osvětlenou osnovou - Osnova MTR-4, krok 1/8 MOA

Výrobce:
Deon Optical Design Corporation
Na objednávku
89 443.00 Kč
Běžná cena:
89 443.00 Kč
73 919.83 Kč bez DPH
Popis

