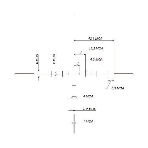
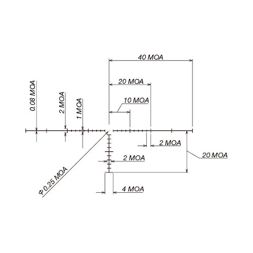
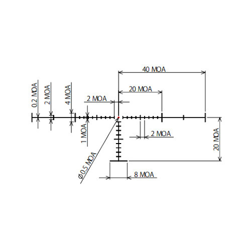
Puškohled March 2.5-25 x 52 s osvětlenou osnovou - Osvětlená osnova MTR-4, krok 1/4 MOA

Výrobce:
Deon Optical Design Corporation
Na objednávku
77 827.00 Kč
Běžná cena:
77 827.00 Kč
64 319.83 Kč bez DPH
Popis

