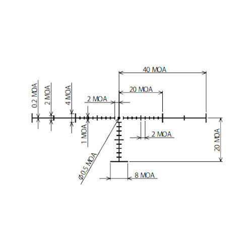
Puškohled March Compact 1-4.5 x 24 - Osnova MRT-D3, krok 1/4 MOA
Na objednávku
0.00 Kč
Běžná cena:
0.00 Kč
0.00 Kč bez DPH
Parametry
Průměr objektivu
24 mm
Fokální rovina
Druhá
Osvětlená osnova
NE
Typ Paralaxy
Side Focus
Rozsah paralaxy
10 yds až nekonečno
Průměr tubusu
30 mm
Krok rektifikace
1/4 MOA
Výšková korekce
200 MOA
Stranová korekce
200 MOA
Korekce na otáčku
20 MOA
Nulování výškové korekce
ANO
Typ komínků
Tactical
Zorné pole
100.4 - 21.9 ft@100 yds
Oční reliéf
73-103 mm
Výstupní pupila
16.0 / 6.33 mm
Dioptrická korekce
+/-2
Sluneční clona
NE
Délka
260 mm
Hmotnost
530 g
Přiblížení
1-4.5x
Popis


